安博(中国)
公司介绍
企业介绍
组织架构
企业荣誉
领导关怀
新闻动态
公司新闻
政策要闻
党建工作
组织架构
党建阵地
党群活动
工青妇
荣誉鼓励
信息公开
水质检测报告
环境信息公开
职位招聘
通知公告
安博官方网页版
电话地址
意见箱
总经理信箱
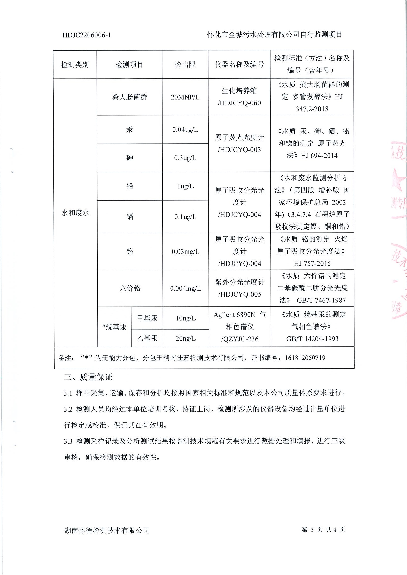
怀德检测 2022年6月 污水检测报告
2022-07-04 11:33:57
上一篇:
湖南怀德检测技术有限公司 2024年12月 污水出水检测报告
下一篇:
怀德检测 2022年5月 污水检测报告
开云网页版页面登录
|
星空网页版登录入口
|
华体会官方端网站登录入口
|
胜游体育·(SY SPORTS)官方网站
|
安博站官网登录入口
|
九游体育(中国)官方网站
|
体育竞猜网(中国)官方网站
|
开元(中国)一站式服务平台-KY.COM
|
米兰体育综合·(中国)官方网站登录入口
|